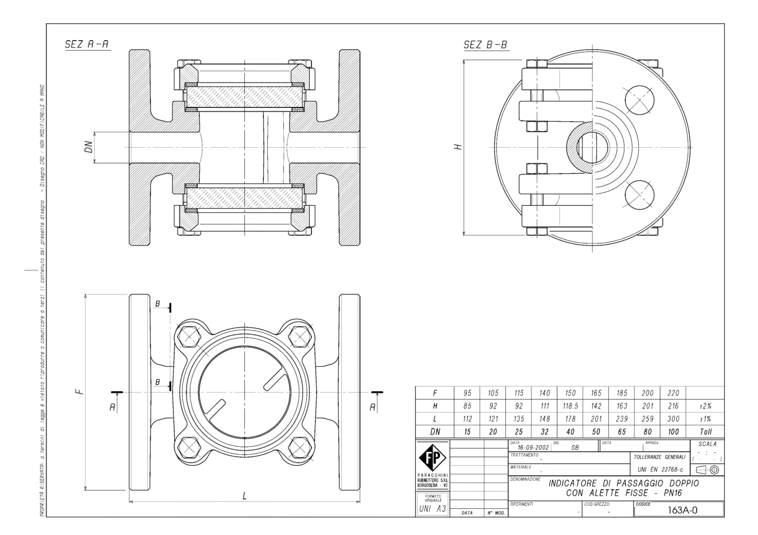
163 - PN 6/10/16

Indicatore di passaggio in bronzo a doppio cristallo calciosodico con alette fisse. SU RICHIESTA: vetro borosilicato